916 Starts Then Dies...

Discussion in '748 / 916 / 996 / 998' started by TNR, Apr 19, 2021.

  1. ISSUE RESOLVED - fuel line popped off

    After hearing both relays click, I was sure the old pump must've been the problem.

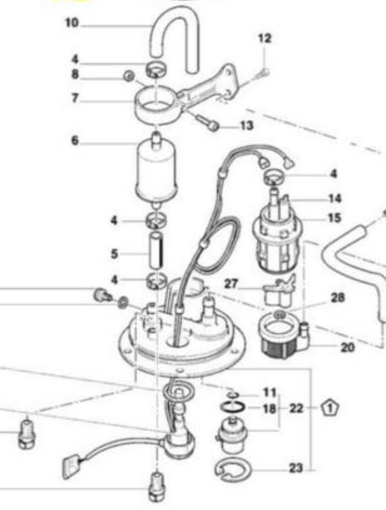
    Upon taking out the fuel plate, this sight greeted me...

    20210507_133413.jpg

    Petsmith- you called this one straight away. I had checked the tightness earlier, but it still came off. Unbelievable that fuel could still get to the injectors even with an open loop in the lines.

    Reconnected, fuel plate back in, pump noise now sounding like it should... and bike starts up straight away and idles perfectly.
    Of course it does.

    Thanks everyone for all the help on this. Think I need a beer...
     
    #61 TNR, May 7, 2021
    Last edited: May 7, 2021
    • Like Like x 13
    • Agree Agree x 1
  2. Well done. Fuel filter, so simple when you find it, pain in the ass when you don't. Have a beer for me:)
     
    • Like Like x 1
  3. well done TNR, great to hear it was the obvious one this time, your perseverance definitely deserves an hoppy reward. :beer::beer::beer:
     
    • Like Like x 1
    • Agree Agree x 1
    • Thanks Thanks x 1
  4. Great stuff:upyeah:.

    Id say you had fuel reaching the injectors under gravity hence the initial fire up but not run. I’m glad you got it sorted :upyeah:
     
    • Like Like x 1
    • Agree Agree x 1
  5. who changed the fuel filter after 4/11/19............

    and given the PSI of the fuel in the pipe who has used those clips as they are the root of the problem!
    they should be Oetiker clips or jubilee ones!

    Screenshot 2021-05-08 at 11.40.52.png
     
    • Like Like x 1
  6. and there you go........
     
Do Not Sell My Personal Information