Supersport Gearing Change

Discussion in 'Supersport (2016 onwards)' started by Mellie, Jul 15, 2019.

  1. Does this mean I can rely more on my sat-nav displayed speed rather than my speedometer? Usually gives me 5 mph.
     
  2. Yes. Having used a satnav on mine I know that 74 mph on the speedo is as near as dammit 70 mph.
     
    • Useful Useful x 1
  3. Yes the GPS is more accurate. Although a GPS has some time lag (ms) for all theoretical purposes, it's un-manipulated like the speedometer.
    The speedometers in vehicles with built-in GPS are not biased upwards as they would look awfully stupid if they didn't coincide with the speed indicated on their GPS display.
     
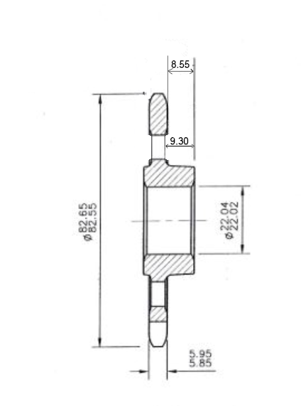
  4. I have just fitted the Renthal sprocket and it fits just fine. However, the lack of the 1.85mm offset from the front face of the JT sprocket is a misnomer and has nothing to do with the sprocket alignment.
    The rear boss of the sprocket seats against a spacer which is against the bearing with a nut holding both onto the shaft. The important dimension is the distance from the inner edge of the rear boss to the inner edge of the sprocket which I measured to be 8.75mm on both the Renthal and OEM sprocket. I have no idea what it is for the JT sprocket since it is not shown. According to Renthal's diagram it should be 8.55 ± 0.05mm

    Sorry if I have given anyone cause for concern but it would be worth checking a JT sprocket anyway.
    Rental-3.png
    Edit : I had measured from the slight recess under the teeth and not from the edge of the teeth so I have corrected this post and the diagram to reflect that.
     
    #44 Derek, Feb 3, 2020
    Last edited: Feb 3, 2020
    • Useful Useful x 1
  5. While I was fitting the sprocket I thought I'd investigate the case saver that I have from the previous Multi. I knew it didn't fit because Ducati have altered the crankcase of the Supersport to accommodate the gear sensor.
    To fit it I made a small link that I bolted to the upper hole in the case saver which allowed me to secure the case saver using the gearbox sprocket cover bolts. With the cover in place it's completely hidden.

    Case saver.jpg
     
    • Like Like x 1
    • Useful Useful x 1
Do Not Sell My Personal Information